Comprehensive range of rugged, skid mounted single and dual tower regenerable natural gas dryers
Closed loop, operator initiated heat reactivated regenerated cycles for reliable dryer regeneration control and shutdown
AutoDew is a standard feature and will signal when regeneration is required
1. Medium to high flows
2. Low to high pressure design
3. Recommended for medium throughput fueling needs
4. Minimum downtime (no downtime required for duplex model)
Also available:
a. A duplex version - additional drying tower eliminates downtime when regeneration is necessary
b. Mobile Regeneration Packages for multiple stations
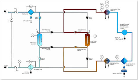
Adsorption and Regeneration Cycle

